Catalogue Menu
8361SRE11.00
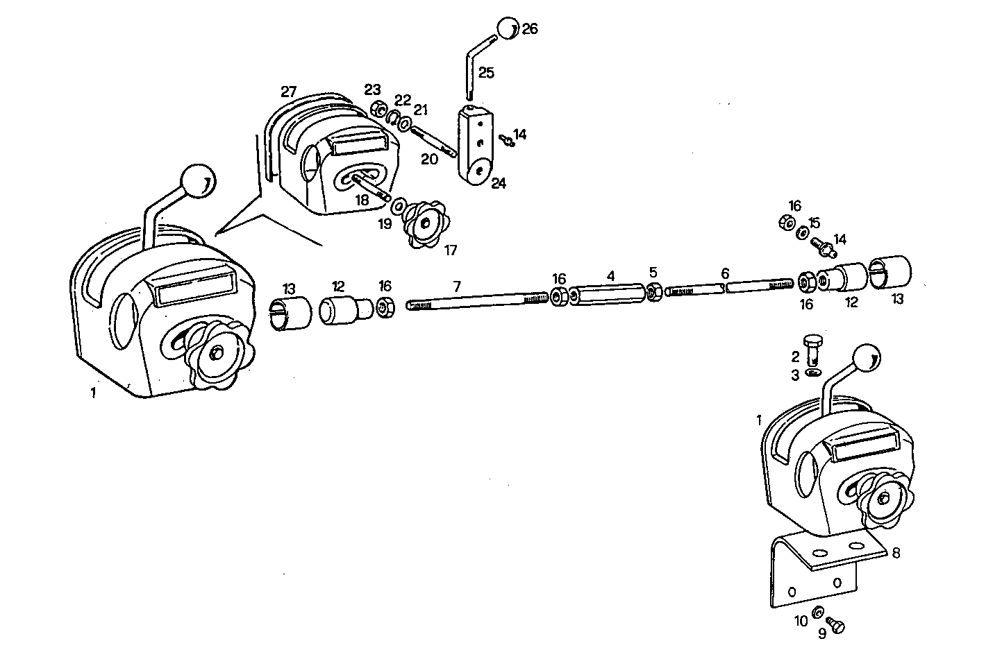
A24020024 HAND ACCELERATOR - assembled

| Item | Part number | Description |
|---|---|---|
| 1 | 4927113 | HAND ACCELERATOR ASSY |
| 2 | 16607624 | SCREW M10X25 |
| 3 | 17090174 | SPRING WASHER Ø10X20 MM |
| 4 | 17720114 | TIE ROD |
| 5 | 16981731 | NUT M6 |
| 6 | 4928016 | TIE ROD |
| 7 | 8823236 | TIE ROD LEFT |
| 8 | 8019671 | RETAINER |
| 9 | 16615421 | SCREW |
| 10 | 17092174 | SPRING WASHER Ø16X32X3,4 |
| 12 | 17721111 | BALL HEAD |
| 13 | 17722174 | CLIP |
| 14 | 15152011 | PIN |
| 15 | 17088974 | SPRING WASHER Ø6X18X1,4 MM |
| 16 | 17037821 | HEXAGON NUT M6X1 |
| 17 | 4927042 | HANDWHEEL |
| 18 | 11795121 | STUD |
| 19 | 12646901 | WASHER Ø12X28 MM |
| 20 | 13530221 | STUD M12X18X35 |
| 21 | 10730701 | WASHER Ø12,2 MM |
| 22 | 10413870 | SPRING WASHER Ø12 MM |
| 23 | 14048821 | HEXAGON NUT M12X1,25 |
| 24 | 4927004 | LEVER |
| 25 | 4927877 | STUD |
| 26 | 4927041 | HANDLE BALL |
| 27 | 4927115 | COVER |
