Catalogue Menu
GE8065M12.01A63S
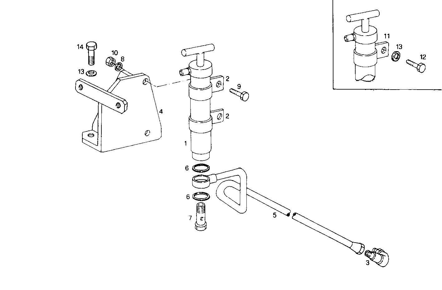
5510.008 OIL OUTLET PUMP

| Item | Part number | Description |
|---|---|---|
| 1 | 8019921 | HAND PUMP |
| 2 | 4928851 | CLIP |
| 3 | 4928527 | PIPE SOCKET |
| 4 | 8107211 | RETAINER [up to 02-95] |
| 5 | 8011624 | OIL LINE |
| 6 | 4858609 | WASHER Ø16X22 MM SP=1,5 MM |
| 7 | 4864084 | BANJO BOLT M16X1,5 |
| 8 | 17089474 | SPRING WASHER Ø8X16 MM SP=1,4 MM |
| 9 | 16605524 | HEXAGON BOLT M8X20 MM |
| 10 | 17037931 | HEXAGON NUT M8X1,25 |
| 11 | 4935081 | CLIP |
| 12 | 16607424 | SCREW M10X16 |
| 13 | 17090174 | SPRING WASHER Ø10X20 MM |
| 14 | 15004021 | HEXAGON BOLT M10X1,25X25 MM |
