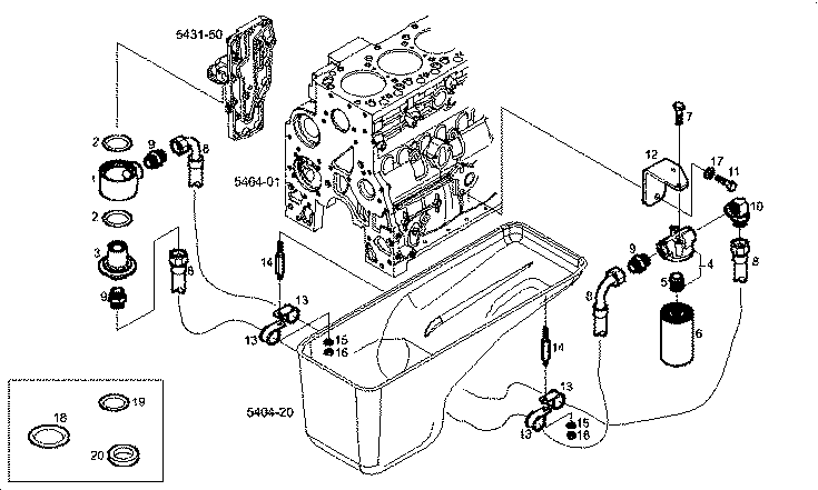
| Item |
Part number |
Description |
|
1 |
500389886 |
SUPPORT |
|
2 |
17290181 |
O-RING Ø59,92 MM SP=3,53 MM |
|
3 |
500396330 |
THREADED UNION |
|
4 |
504039282 |
OIL FILTER SUPPORT ASSY |
|
5 |
4893391 |
THREADED UNION |
|
6 |
2992242 |
OIL FILTER CARTRIDGE |
|
7 |
16673635 |
HEXAGON BOLT M8X1.25X20 |
|
8 |
8031469 |
HOSE |
|
9 |
8031468 |
THREADED UNION |
|
10 |
8031805 |
ELBOW COUPLING |
|
11 |
16609924 |
HEXAGON BOLT M12X30 MM (8.8) |
|
12 |
8031708 |
OIL FILTER SUPPORT ASSY |
|
13 |
504031832 |
FASTENING BRACKET |
|
14 |
8036424 |
SCREW |
|
15 |
17089574 |
WASHER Ø8X16 MM |
|
16 |
17037925 |
HEXAGON NUT M8X1,25 |
|
17 |
17091074 |
WASHER Ø12X24X2,8 MM |
|
18 |
17278581 |
O-RING Ø18,77 MM SP=1,78 MM |
|
19 |
17288381 |
O-RING Ø20,22X3,53 MM |
|
20 |
17088474 |
WASHER Ø6X12 MM |