Catalogue Menu
NEF45TE3Y.S500
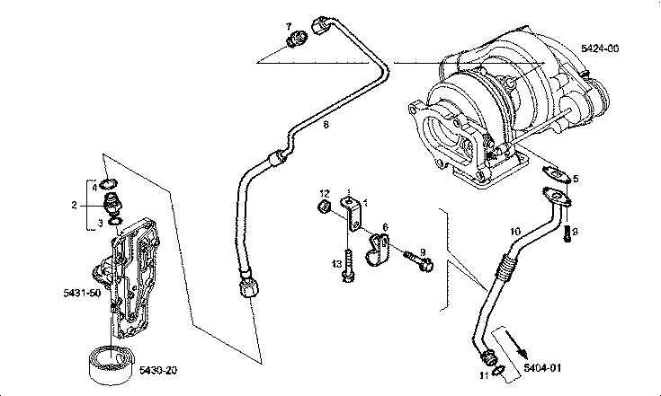
126350 TURBOCHARGER OIL LINES

| Item | Part number | Description |
|---|---|---|
| 1 | 2830887 | RETAINER |
| 2 | 504329209 | THREADED UNION ASSY |
| 3 | 4899107 | O-RING |
| 4 | 17277981 | O-RING 1,78x9,25 |
| 5 | 4899467 | FLAT ENGINE GASKET |
| 6 | 4899519 | BRACKET |
| 7 | 4899106 | PIPE SOCKET |
| 8 | 504053173 | OIL LINE INLET |
| 9 | 18137825 | HEXAGON BOLT M6X16 |
| 10 | 504384316 | OIL LINE ASSY |
| 11 | 17281881 | O-RING DIA 17,12 SP 2,62 |
| 12 | 17044625 | HEXAGON NUT M6 |
| 13 | 16586225 | HEXAGON BOLT M8X1,25X16 MM |
