Catalogue Menu
NEF6TAGE2.A002
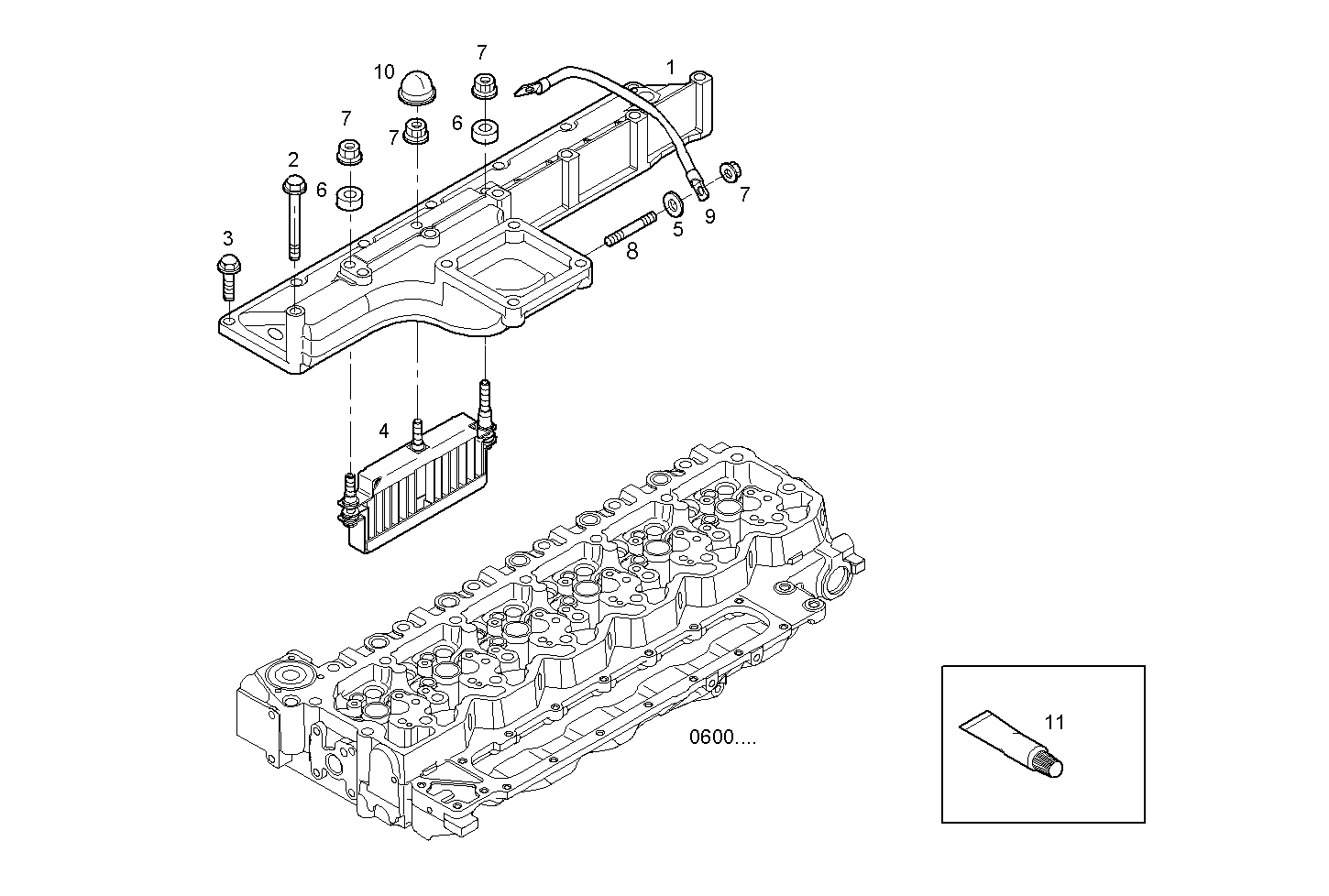
0710.168 INTAKE MANIFOLD

| Item | Part number | Description |
|---|---|---|
| 1 | 504071770 | INTAKE ELBOW [FROM # 158928] |
| 2 | 4895432 | HEXAGON BOLT M8x1,25x70 MM |
| 3 | 4899039 | HEXAGON BOLT M8X1,25X25 MM |
| 4 | 4894727 | HEATER |
| 5 | 4894048 | WASHER Ø6 MM |
| 6 | 4897765 | SPACING BAR |
| 7 | 16750131 | HEXAGON NUT M6 |
| 8 | 16745024 | STUD M6X12X20 MM |
| 9 | 4897766 | WIRE/CABLE |
| 10 | 4896263 | CAP |
| 11 | 2995644 | ADHESIVE/STICKER |
